Product Summary
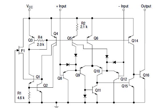
The LM393DR2G is a Low Offset Voltage Dual Comparator. It is designed to permit a common mode range - to - ground level with single supply operation.
Parametrics
LM393DR2G absolute maximum ratings: (1)Power Supply Voltage VCC: +36 or ±18 Vdc; (2)Input Differential Voltage Range VIDR: 36 Vdc; (3)Input Common Mode Voltage Range VICR: -0.3 to +36 Vdc; (4)Output Sink Current ISink: 20 mA; (5)Power Dissipation @ TA = 25℃ PD: 570 mW; (6)Power Dissipation Derate above 25°C 1/RθJA: 5.7 mW/℃; (7)Operating Ambient Temperature Range TA: 0 to +70℃; (8)Maximum Operating Junction Temperature TJ(max): 150℃; (9)Storage Temperature Range Tstg: -65 to +150℃.
Features
LM393DR2G features: (1)Wide Single-Supply Range: 2.0 Vdc to 36 Vdc; (2)Split-Supply Range: ± 1.0 Vdc to ± 18 Vdc; (3)Very Low Current Drain Independent of Supply Voltage: 0.4 mA; (4)Low Input Bias Current: 25 nA; (5)Low Input Offset Current: 5.0 nA; (6)Low Input Offset Voltage: 5.0 mV (max); (7)Input Common Mode Range to Ground Level; (8)Differential Input Voltage Range Equal to Power Supply Voltage; (9)Output Voltage Compatible with DTL, ECL, TTL, MOS, and CMOS Logic Levels; (10)ESD Clamps on the Inputs Increase the Ruggedness of the Device without Affecting Performance; (11)NCV Prefix for Automotive and Other Applications Requiring Site and Control Changes; (12)Pb-Free Packages are Available.
Diagrams

| Image | Part No | Mfg | Description | ![]() |
Pricing (USD) |
Quantity | ||||||||||||
|---|---|---|---|---|---|---|---|---|---|---|---|---|---|---|---|---|---|---|
![]() |
![]() LM393DR2G |
![]() ON Semiconductor |
![]() Comparator ICs 2-36V Dual Commercial Temp |
![]() Data Sheet |
![]()
|
|
||||||||||||
| Image | Part No | Mfg | Description | ![]() |
Pricing (USD) |
Quantity | ||||||||||||
![]() |
![]() LM3900D |
![]() Texas Instruments |
![]() Operational Amplifiers - Op Amps Quad |
![]() Data Sheet |
![]()
|
|
||||||||||||
![]() |
![]() LM3900DE4 |
![]() Texas Instruments |
![]() Operational Amplifiers - Op Amps Quadruple Oper Amplifier |
![]() Data Sheet |
![]()
|
|
||||||||||||
![]() |
![]() LM3900DG4 |
![]() Texas Instruments |
![]() Operational Amplifiers - Op Amps Quad Op Amp |
![]() Data Sheet |
![]()
|
|
||||||||||||
![]() |
![]() LM3900DR |
![]() Texas Instruments |
![]() Operational Amplifiers - Op Amps Quad Op Amp |
![]() Data Sheet |
![]()
|
|
||||||||||||
![]() |
![]() LM3900DRE4 |
![]() Texas Instruments |
![]() Operational Amplifiers - Op Amps Quadruple Oper Amplifier |
![]() Data Sheet |
![]()
|
|
||||||||||||
![]() |
![]() LM3900DRG4 |
![]() Texas Instruments |
![]() Operational Amplifiers - Op Amps Quad Op Amp |
![]() Data Sheet |
![]()
|
|
||||||||||||
(China (Mainland))








