Product Summary
The XC95144XL-10TQ144I is a 3.3V CPLD targeted for high-performance, low-voltage applications in leading-edge communications
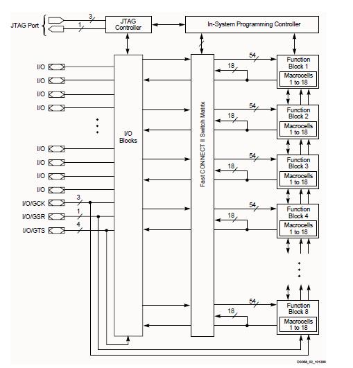
and computing systems. The XC95144XL-10TQ144I is comprised of eight 54V18 Function Blocks, providing 3,200 usable gates with propagation delays of 5 ns.
Parametrics
XC95144XL-10TQ144I absolute maximum ratings: (1)VCC Supply voltage relative to GND: –0.5 to 4.0 V; (2)VIN Input voltage relative to GND: –0.5 to 5.5 V; (3)VTS Voltage applied to 3-state output: –0.5 to 5.5 V; (4)TSTG Storage temperature (ambient): –65 to +150℃; (5)TSOL Maximum soldering temperature (10s @ 1/16 in. = 1.5 mm): +220℃; (6)TJ Junction temperature: +150℃; (7)IIL Input leakage current VCC = Max; VIN = GND or VCC: ±10 μA; (8)CIN I/O capacitance VIN = GND; f = 1.0 MHz: 10 pF; (9)fSYSTEM Multiple FB internal operating frequency: 100.0 MHz; (10)TPSU I/O setup time before p-term clock input: 2.1 ns.
Features
XC95144XL-10TQ144I features: (1)5 ns pin-to-pin logic delays; (2)System frequency up to 178 MHz; (3)144 macrocells with 3,200 usable gates; (4)Available in small footprint package: 144-pin TQFP (117 user I/O pins); (5)Low power operation; (6)5V tolerant I/O pins accept 5V, 3.3V, and 2.5V signals; (7)3.3V or 2.5V output capability; (8)Advanced 0.35 micron feature size CMOS Fast FLASH technol; (9)Fast concurrent programming; (10)Slew rate control on individual outputs; (11)Enhanced data security features; (12)Excellent quality and reliabilit; (13)Pin-compatible with 5V-core XC95144 device in the 100-pin TQFP package.
Diagrams

| Image | Part No | Mfg | Description | ![]() |
Pricing (USD) |
Quantity | ||||||||||||||||
|---|---|---|---|---|---|---|---|---|---|---|---|---|---|---|---|---|---|---|---|---|---|---|
![]() |
![]() XC95144XL-10TQ144I |
![]() |
![]() IC CPLD 144MCELL 10NS 144TQFP |
![]() Data Sheet |
![]()
|
|
||||||||||||||||
| Image | Part No | Mfg | Description | ![]() |
Pricing (USD) |
Quantity | ||||||||||||||||
![]() |
![]() XC9500 |
![]() Other |
![]() |
![]() Data Sheet |
![]() Negotiable |
|
||||||||||||||||
![]() |
![]() XC9500XV |
![]() Other |
![]() |
![]() Data Sheet |
![]() Negotiable |
|
||||||||||||||||
![]() |
![]() XC9501 |
![]() Other |
![]() |
![]() Data Sheet |
![]() Negotiable |
|
||||||||||||||||
![]() |
![]() XC9502 |
![]() Other |
![]() |
![]() Data Sheet |
![]() Negotiable |
|
||||||||||||||||
![]() |
![]() XC9503 |
![]() Other |
![]() |
![]() Data Sheet |
![]() Negotiable |
|
||||||||||||||||
![]() |
![]() XC9503B093AR-G |
![]() |
![]() IC REG BUCK ADJ 1A DL 10MSOP |
![]() Data Sheet |
![]()
|
|
||||||||||||||||
(China (Mainland))










